一種快速接頭的堵,作用于液壓管路系統中的各個零部件,專用于堵塞三通、直通等產品,防止漏液。

| 序號 | 圖號 | 產品名稱 | 規格型號 | 單位 |
|---|---|---|---|---|
| 1 | KJ11-10 | 堵 | 個 | |
| 2 | KJ11-13 | 堵 | 個 | |
| 3 | KJ11-16 | 堵 | 個 | |
| 4 | KJ11-19 | 堵 | 個 | |
| 5 | KJ11-25 | 堵 | 個 | |
| 6 | KJ11-32 | 堵 | 個 | |
| 7 | KJ11-38 | 堵 | 個 | |
| 8 | ZT00B-03/7 | 堵 | 個 | |
| 9 | D2-10 | 堵 | DN10 | 個 |
| 10 | D2-12.5 | 堵 | DN12 | 個 |
| 11 | D2-16 | 堵 | 個 | |
| 12 | D2-19 | 堵 | DN20 | 個 |
| 13 | D2-25 | 堵 | DN25 | 個 |
| 14 | D2-32 | 堵 | DN32 | 個 |
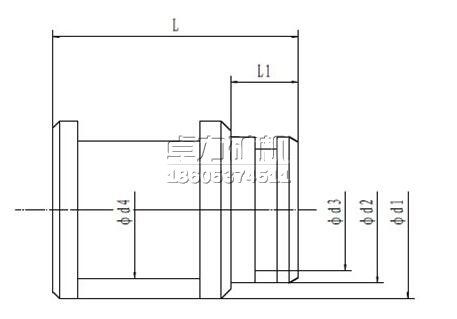
一、堵的主要技術參數:

二、堵的用途及功能:
是一種快速接頭的堵,作用于液壓管路系統中的各個零部件,專用于堵塞三通、直通等產品,防止漏液。
三、堵的使用位置:
用于管路系統中不用的接口處。
四、堵的常見故障、原因與排除方法:

| 規格 | 類別 | d1 | d2 | d3 | d4 | L1 | L | |
| 6.3 | D | 15 | 10 | 6.8 | 8.5 | 11 | 34 | |
| 8 | D | 20 | 14 | 10.8 | 13.5 | 11 | 34 | |
| 10 | D | 20 | 14 | 10.8 | 13.5 | 11 | 34 | |
| 12.5 | D | 24 | 18 | 14 | 17.5 | 11 | 34 | |
| 16 | D | 26 | 21 | 17 | 19.5 | 11 | 34 | |
| 19 | D | 29 | 24 | 20 | 22.5 | 11 | 34 | |
| 25 | D | 39 | 31 | 27 | 29 | 11 | 40 | |
| 31.5 | D | 46 | 38 | 34 | 36 | 11 | 40 | |
| G | 45.5 | 38 | 34 | 36 | 15 | 66 | ||
| 38 | D | 55 | 47 | 42 | 45 | 13 | 47 | |
| G | 54.5 | 44 | 39 | 45 | 16 | 74 | ||
| 51 | D | 64 | 56 | 51 | 55 | 13 | 47 | |
| G | 63.5 | 50 | 45 | 55 | 16 | 74 | ||
是一種快速接頭的堵,作用于液壓管路系統中的各個零部件,專用于堵塞三通、直通等產品,防止漏液。
三、堵的使用位置:
用于管路系統中不用的接口處。
四、堵的常見故障、原因與排除方法:
| 部位 | 故障現象 | 可能原因 | 排除方法 |
| 堵 | 堵銹蝕、掉落 | 因水質、氣體原因或時間過長發生銹蝕 | 更換新的堵 |
![[field:title function='html2text(@me)'/]](/static/upload/image/20250915/1757906885102576.png)
![[field:title function='html2text(@me)'/]](/static/upload/image/20250813/1755066320148657.png)
![[field:title function='html2text(@me)'/]](/static/upload/image/20250813/1755066237177295.png)